港彩二四六天天好资料,77778888管家婆的背景,天下彩(944:CC)免费资料大全,高清跑狗图最早更新,新门内部资料最快更新

欢迎访问启东春立机械设备有限公司官网!
邮箱地址:cl@qdclgs.com
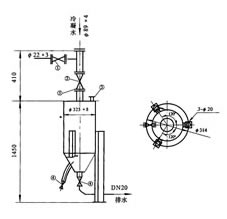
MAPB、1PGB型系列煤气冷凝水排水器(干式)
(一)MAPB-Ⅰ型干式排水器
1、本排水器适用于煤气加压机后高压焦炉煤气管道压力≤0.1MPa.
2、当人工排水时,①-④阀全部关闭,带防毒面具或背风向,打开阀⑤见水基本排尽立即关闭阀⑤,同时打开阀①、阀③。
3、当与管道一起正常投运时,仅开阀①和阀③,其余阀皆关闭。
4、当检修或吹扫时,关闭阀①阀②-⑤,从②阀接蒸汽或氮气置换。
5、煤气冷凝水接管法兰为JB81-59 PN1.0 DN50
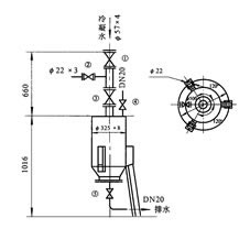
(二)MAPB-Ⅱ型干式排水器
1、本排水器适用于计算机压力0.9MPa脱硫脱奈高压焦炉煤气管道。
2、当人工排水时,①-③阀全部关闭,带防毒面具或背风向,打开阀④见水基本排尽,立即关闭阀④,同时打开阀①、阀③。
3、当干式排水器与管道一起正常投运时,仅开阀①和阀③,其余阀皆关闭。
4、当检修或吹扫时,关闭阀①或在阀后堵盲板,从阀②接蒸汽或氮气吹除。
5、本排水器接管法兰为JB81-59、PN1.6 DN50。
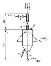
(三)1PGXB型干式悬挂式排水器
1、本排水器适用于南方地区,管径较小,排水量较少的煤气管道上,管道压力≤0.9MPa。若在寒冷地区,排水器应采取保温措施,悬挂高度不超过1m。
2、冷凝水排放操作步骤:
a、缓慢打开阀门①,如有冷凝水排出,则迅速关闭阀门①。
b、关闭阀门②。
c、打开底阀门④,(如底部阀门堵塞,则打开侧面阀门④),把水放到专用的筒内(冷凝水不必放尽)。
d、冷凝水排完后,严密关闭阀门④,再完全打开阀门②。
3、当排水器检测时,应先闭阀门②,打开管堵③,插上盲板⑤,放掉冷凝水,即可检修。
(四)1PGXB型干式落地式排水器
本设备除安装方式与1PGXB型不同外,其余使用方式与1PGXB型相同。
 
主站蜘蛛池模板: 澳三码中特最网,看图开| 成全电影在线观看免费| 澳门精准四像四不像免费论坛| 最快的物流有哪些| 初来乍到第一季免费观看高清| 致命录像带2解析知乎| 老澳门开奖记录十开奖结果 | 2024最新澳门 | 一个人在线观看高清网站免费| 管家婆三期开一期精准是什么| 2023澳门码最准资料| 澳彩开奖资料| 热浴盆时光机2| 新澳门精准资料大全管家资料| 澳门六彩资料大全2023年资料 | 关于体育专业| 2024澳门精准正版资料澳夜城 | 狂飙免费观看完整版电视剧星辰影院| 精准资料王中王王| 第一影院在线电视免费观看| 成为简·奥斯汀| 澳门鬼谷子资料论坛 | 555525王中王白小姐一码一肖| 末日降临电视剧免费观看| 体育类核心期刊目录| 澳门123开奖现场 开奖直播澳| 澳门天天彩免费全年资料| 澳门一肖一码100%精准免费资料| 沉迷网络游戏的孩子怎么制止| 澳门必中三肖三码三期开奖号码| 追剧不需要会员的app| 不用网络的装扮游戏| 成全在线观看免费播放| 与你官方APP下载| 彩民之家新版本下载| 澳彩龙门客栈图解| 新澳天天开奖免费资料大全最新| 回到被爱的每一天| 2024年有哪些体育赛事比赛 | 澳门六会彩开奖结果网站大全 | 48k.ccm,澳门开奖下载|