港彩二四六天天好资料,77778888管家婆的背景,天下彩(944:CC)免费资料大全,高清跑狗图最早更新,新门内部资料最快更新

欢迎访问启东春立机械设备有限公司官网!
邮箱地址:cl@qdclgs.com
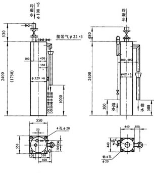
MGPB型系列煤气冷凝水排水器
1、MGPB型排水器适用于不同压力的各种工业煤气架空管道。
2、该排水器必须采用压力给水,给水量为2-4t/h。
3、排水器上设有蒸汽或氮气吹扫头,为防止煤气窜入蒸汽或氮气管内只有在通蒸汽或氮气时,才能把蒸汽或氮气与煤气和管道连通,停用时必须断开或堵盲板。
4、排出器冷凝水应集中处理。
5、设在露天的排水器有寒冷地区要采取防冻措施,设在室内的应有良好的自然通风。
MGPB型排水器系列规格选用表
型 号
允许煤气
最高压力
(KPa)
水封
高度
mm
外形尺寸(mm)
上水管
管径DN
(mm)
上水管
管径DN
(mm)
吹扫管
管径
Φ×δmm

煤气冷凝
水管径
Φ×δmm

筒外径Φ
筒高H
MGPB-I
14.01
2000
426
2400
20
80
Φ159×5
MGPB-II
21.48
2700
529
1750
25
80
Φ22×3
Φ108×6
MGPB-III
34.23
4000
529
2700
25
80
Φ22×3
Φ108×6
                MGPB-II、MGPB-III型    MGPB-I型
 
主站蜘蛛池模板: 澳门天天开好彩正版| 2024年全年开奖结果| 新澳门资料正版大全2024免费| 双鱼座运势今日最准| 疯狂原始人在线高清观看| 香港正版蓝月亮资料论坛 | 奥门正版资料大全网站| 香港特马开马开奖结果7月27| 勇敢的心在线高清免费观看| 澳门精准四肖大全| 精装难兄难弟 电影| 澳门最准精选资料刘伯温| 五杀电影网在线电影| 2023年澳门今晚特马开奖查询| 6080电影电视剧在线免费观看| 2024澳门精准正版生肖图| 金牛版澳门免费开奖记录| 澳门金牛版42498com| 香港王中王一肖一中一特一中| 澳门期期四肖选一肖| 翻滚吧阿信在线观看免费版国语| 什么软件可以追剧不花钱 | 澳彩2021220期开奖结果| 大反派电影在线观看国语免费高清 | 喷图水晶标的色彩有几种类型| 撒玛利亚女孩| 澳门开奖现场开奖直播下载开奖结果 | 二肖二码长期免费公开| 123696澳门六下资料2021年一| 平特一肖买500元中了是多少| 98免费电影网| 彩霸王论坛免费资料| 电视剧老家伙全集免费观看高清| 繁华似锦电视剧星辰影院| 澳门天天最快开奖结果查询表| 最新澳门开奖结果历史开奖记录| 2023澳门免费精准资料74期| 2σ24年新澳门天天开好彩| 2025澳門正版資料免費| 星空电影高清免费在线观看| 天天高清影视|