港彩二四六天天好资料,77778888管家婆的背景,天下彩(944:CC)免费资料大全,高清跑狗图最早更新,新门内部资料最快更新

欢迎访问启东春立机械设备有限公司官网!
邮箱地址:cl@qdclgs.com
BMV、BMG系列煤气安全阀箱
(一)、BMV/B1-3型煤气安全阀箱
1、用途
本产品适用于金属气焊、气割、火焰表面清理和热加工的硫、焦油、萘等不纯物含量较低的煤气管路用户点。
2、结构特点
本产品外部保护箱采用灰色烤漆防锈,阀箱接点(含岗位回火防止装置)可供1-3人分别使用也可供同时使用。所有仪表可通过阀箱面板窥视孔直接观察,内部所有管路均采用优质碳钢制作。阀箱门接有箱体专用锁,便于集中管理,可避免因误操作造成的能源浪费和泄漏引起的不安全因素。
3、 产品技术参数
BMV/B1-3型煤气安全阀箱技术参数
型号
 项目
BMV/B-1型
BMV/B-2型
BMV/B-3型
正常使用氧气
压力MPa
0.02~1.6
0.02~1.6
0.02~1.6
流量Nm3/H
5
10
15
外形尺寸mm
800×380×280
1800×680×280
800×980×280
接头规格
见附图
见附图
见附图
 注:BMV/B1-3型煤气安全阀箱安装示意图同BC2H2/B1-3型乙炔气用点阀箱安装示意图。
注意事项
本产品在安装过程中请注意进出气口不可接反,发现堵塞应清洗,使用一年后应进行全面检修且需更换密封件,装配后应进行试压、回火试验合格,以保证阻火性能。
(二)、BMG/B1-4型煤气用点阀箱
1、用途
本产品适用于气焊、气割、火焰表面清理和热加工的焦炉煤气及混合煤气管道用点。
2、结构特点
本产品外部保护箱采用灰色烤漆防锈,阀箱接点可供1-4人焊炬或割炬分别使用,也可供同时使用。所用仪表可通过阀箱面板窥视孔直接观察,阀箱内部分配器均选用优质碳钢制作。阀箱门装有箱体专用锁,便于集中管理,可避免因误操作造成的能源浪费和泄漏引起的不安全因素。
3、产品技术参数
BMG/B1-3型煤气安全阀箱技术参数
型号
 项目
BMG/B-1型
BMG/B-2型
BMG/B-3型
BMG/B-4型
正常使用氧气
压力MPa
0.01~0.1
0.01~0.1
0.01~0.1
0.01~0.1
流量Nm3/H
5~10
10~20
15~30
20~40
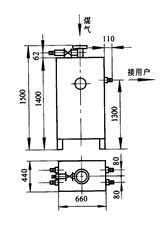
外形尺寸mm
1400×660×440
1400×660×440
1400×660×440
1400×660×440
接头规格
DN15×1
DN15×2
DN15×3
DN15×4
接管法兰规格
JB/T81-94
PN1.0 DN50
JB/T81-94
PN1.0 DN50
JB/T81-94
PN1.0 DN50
JB/T81-94
PN1.0 DN50
4、BMG/B1-4型煤气接点阀箱安装示意图
5、使用说明
(1)操作时,接管法兰DN50与系统中的阀门相并开阀,用软管将接头DN15与焊炬或割炬相连,关上扫阀及箱内的排污阀即可向焊炬或割炬供煤气。
(2)吹刷时,关上进气阀及接头阀门,用软管吹扫阀门与吹刷介质或氮气相接,打开排污阀即可阀箱进行吹扫。
 
主站蜘蛛池模板: 最新版看高清影视下载| 澳门最精准免费全年资料大全| 6749港澳彩最新开奖结果| 澳门选一肖一码期期准功能| 澳彩开奖号码开奖结果| 噢门一肖一码精准资料公开| 澳门精准三肖三码必中特最新官网版 | 今晚澳门9点35分开什么生肖 | 新澳门三肖三码必出期期准2023√| 精选三肖三码必中| 2023年的电影排行榜前十名| 新澳2024年今晚精准一肖一码| 澳门独家九肖| 比较挣钱的网络游戏| 新澳门资料大全码数| 韩国的三级电影有哪些| 老夫子2001| 澳彩网网站澳彩官方网站| 最好的我们在线看高清免费| 今日20选五开奖结果| 2024年澳门开奖记录全集| 离巨星二十英尺| 精准三肖三码期期必中| 2024新老澳门天天开好彩大全| 泛解析苹果cms站群| 澳门开奖123720acom952323| 999电影网| 花美男拉面店 云播| 澳门资料8228cc| 2023澳门一肖一码精准100%| 新龙门客栈港澳资料| 新澳门开奖结果开奖记录查询表下载安装| 2023澳门六今晚开奖直播| 2o24澳门开奖结果| 新澳门天天彩最快正版资料大全| 美版生人勿进完整版在线观看 | 金牌谜语澳门金牌2024期| 初夏的甜蜜约定短剧免费观看第一集| 夺面煞星宝莱坞| 墨雨云间 电视剧| 808影院网科幻电影迅雷|